|
|
| |
|
您现在的位置:威能首页 > 产品目录 > DZS2系列电磁失电制动器 |
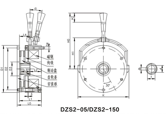
规格(NM) |
电机机座号 |
功率W |
d |
B |
T |
D1 |
D2 |
D3 |
D4 |
L0 |
L1 |
L2 |
L3 |
L4 |
L5 |
H0 |
H1 |
H2 |
K |
δ |
α |
DZS2-05 |
YEJ71 |
28 |
14.8 |
5 |
16.2 |
101 |
90 |
30 |
3-M5 |
42 |
37.5 |
14.3 |
20 |
25.3 |
2.5 |
120 |
67 |
20 |
109.5 |
0.3 |
12° |
DZS2-08 |
YEJ80 |
30 |
19.8 |
6 |
22.6 |
118 |
105 |
40 |
3-M5 |
44.5 |
38.5 |
15.3 |
20 |
25.3 |
3 |
135 |
75 |
20 |
124 |
0.3 |
12° |
DZS2-15 |
YEJ90 |
45 |
24.8 |
8 |
28.1 |
128 |
114 |
48 |
3-M6 |
63.5 |
55.5 |
27.4 |
25 |
31.9 |
3 |
141 |
81 |
20 |
137 |
0.4 |
10° |
DZS2-30 |
YEJ100 |
60 |
29.5 |
8 |
32.8 |
147 |
133 |
57 |
3-M6 |
63.5 |
55.5 |
22.9 |
30 |
32.4 |
2.5 |
169 |
92 |
20 |
155 |
0.4 |
10° |
DZS2-40 |
YEJ112 |
65 |
29.5 |
8 |
32.8 |
166 |
150 |
57 |
3-M8 |
64.5 |
56.5 |
24 |
30 |
35 |
2.5 |
189 |
102 |
25 |
172 |
0.5 |
8° |
DZS2-80 |
YEJ132 |
90 |
39.5 |
12 |
42.8 |
187 |
170 |
69 |
3-M8 |
74.5 |
64.5 |
32 |
30 |
37 |
2.5 |
234 |
115 |
25 |
191 |
0.5 |
8° |
DZS2-150 |
YEJ160 |
110 |
44.5 |
12 |
47.8 |
222 |
202 |
79 |
4-M10 |
79 |
67 |
28.9 |
35 |
39.6 |
2.5 |
345 |
135 |
25 |
224 |
0.6 |
8° |
规格(NM) |
电机机座号 |
d |
B |
T |
D1 |
D2 |
D3 |
D4 |
H0 |
H1 |
H2 |
H3 |
δ |
DZS2-200 |
YEJ180 |
49 |
14 |
52.8 |
265 |
244 |
122 |
4-M10 |
108 |
96 |
51.5 |
40 |
0.6 |
DZS2-300 |
YEJ200 |
59 |
18 |
63.4 |
310 |
280 |
132 |
4-M12 |
122 |
110 |
56.5 |
50 |
0.8 |
DZS2-450 |
YEJ225 |
65 |
18 |
69.4 |
330 |
300 |
142 |
4-M12 |
128 |
114 |
54.5 |
56 |
0.8 |
DZS2-600 |
YEJ250 |
65 |
18 |
69.4 |
380 |
350 |
142 |
4-M16 |
149 |
133 |
75 |
56 |
0.8 |
DZS2-850 |
YEJ280 |
68 |
20 |
72.4 |
422 |
390 |
150 |
6-M16 |
150 |
134 |
70 |
62 |
1 |
DZS2-2000 |
YEJ315 |
80 |
22 |
85.4 |
580 |
550 |
240 |
6-M16 |
150 |
140 |
72.5 |
62 |
1.2 |
| DZS2规格(NM) |
05 |
08 |
15 |
30 |
40
|
80
|
150 |
200
|
300
|
450 |
600 |
850 |
2000 |
接通(释放)时间
(<ms) |
55 |
75 |
95 |
120 |
130 |
140 |
180 |
210 |
250 |
270 |
285 |
320 |
375 |
断开(制动)时间
(<ms) |
63 |
87 |
110 |
140 |
152 |
165 |
214 |
252 |
303 |
359 |
385 |
435 |
495 |
|
 |