|
|
| |
|
您现在的位置:威能首页 > 产品目录 > DHD系列电磁失电制动动器 |
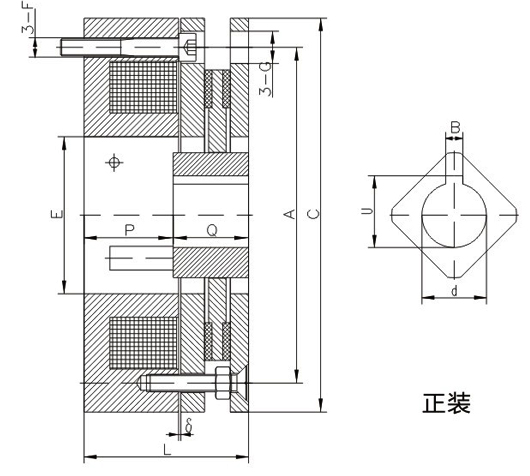
| 规格/Nm |
A |
C |
E |
F |
G
(正装) |
G
(反装) |
L |
P
(正装) |
P
(反装) |
Q |
δ |
d |
B |
U |
| DHD-2 |
68 |
77 |
20 |
3-¢4.5 |
10 |
3-¢4.5 |
30 |
18 |
12 |
8 |
0.1-0.2 |
10 |
3 |
11.4 |
| DHD-4 |
74 |
85 |
20 |
3-¢5.5 |
11 |
3-¢4.5 |
32 |
16 |
16 |
12 |
0.1-0.2 |
12 |
4 |
13.8 |
| DHD-8 |
85 |
97 |
25 |
3-¢5.5 |
11 |
3-¢5.5 |
35 |
14 |
21 |
16 |
0.1-0.2 |
14 |
5 |
16.3 |
| DHD-16 |
108 |
118 |
40 |
3-¢5.5 |
11 |
3-¢5.5 |
41 |
15 |
26 |
20 |
0.1-0.2 |
19 |
6 |
21.8 |
| DHD-32 |
118 |
131 |
40 |
3-¢6.5 |
12 |
3-¢6.5 |
51 |
30 |
21 |
24 |
0.2-0.4 |
20 |
6 |
22.8 |
| DHD-50 |
132 |
146 |
50 |
3-¢6.5 |
12 |
3-¢6.5 |
66 |
39 |
33 |
30 |
0.2-0.4 |
25 |
8 |
28.3 |
| DHD-100 |
156 |
183 |
73 |
3-¢9 |
15 |
3-¢9 |
76 |
44 |
32 |
35 |
0.3-0.5 |
30 |
8 |
33.3 |
| DHD-200 |
175 |
201 |
80 |
3-¢11 |
15 |
3-¢11 |
86 |
55 |
33 |
35 |
0.4-0.7 |
40 |
12 |
43.3 |
| DHD-400 |
235 |
255 |
90 |
6-¢9 |
15 |
6-¢9 |
88 |
37 |
51 |
50 |
0.4-0.7 |
45 |
14 |
48.8 |
| DHD-500 |
276 |
295 |
140 |
3-¢13 |
20 |
3-¢13 |
89 |
55.5 |
44.5 |
30 |
0.4-0.7 |
60 |
18 |
64.4 |
| DHD-1000 |
276 |
295 |
140 |
3-¢13 |
20 |
3-¢13 |
109 |
60.5 |
39.5 |
40 |
0.4-0.7 |
80 |
22 |
85.4 |
| DHD规格(NM) |
02 |
04 |
08 |
16 |
32
|
50
|
100 |
200
|
400
|
500 |
1000 |
2500 |
接通(释放)时间
(<ms) |
45 |
55 |
72 |
95 |
120 |
130 |
140 |
170 |
240 |
270 |
320 |
380 |
断开(制动)时间
(<ms) |
51 |
863 |
87 |
110 |
140 |
152 |
165 |
230 |
320 |
360 |
450 |
510 |
|
|
 |