|
|
| |
|
您现在的位置:威能首页 > 产品目录 > DLZ3系列组合离合器 |
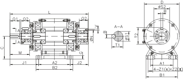
| 13、DLZ3系列组合离合器 |
 |
 |
| 规格/Nm |
A1 |
A2 |
B1 |
B2 |
C |
D |
G |
J1 |
J2 |
L |
M |
| DLZ3-05 |
52.5 |
75 |
80 |
90 |
55 |
80 |
10 |
65.5 |
40.5 |
181 |
46.5 |
| DLZ3-10 |
65 |
90 |
90 |
105 |
65 |
100 |
10 |
78.5 |
48.5 |
217 |
57 |
| DLZ3-20 |
80 |
110 |
110 |
130 |
80 |
125 |
12 |
98 |
58 |
266 |
72 |
| DLZ3-40 |
105 |
135 |
140 |
160 |
90 |
150 |
15 |
121 |
71 |
327 |
92 |
| DLZ3-80 |
135 |
160 |
175 |
185 |
112 |
190 |
15 |
148 |
88 |
397 |
113 |
| DLZ3-160 |
155 |
200 |
200 |
230 |
132 |
230 |
18 |
187 |
105 |
492 |
142 |
| DLZ3-320 |
195 |
240 |
240 |
270 |
160 |
290 |
20 |
238 |
125 |
603 |
183 |
| 规格/Nm |
N |
Z1 |
Z2 |
S1 |
S2 |
T1 |
T2 |
B |
Q1 |
Q2 |
V |
| DLZ3-05 |
33 |
13.5 |
6.5 |
11 |
38 |
12.5 |
39.5 |
4 |
25 |
20 |
4-M4深4 |
| DLZ3-10 |
38.5 |
13.5 |
6.5 |
14 |
45 |
16 |
47 |
5 |
30 |
25 |
4-M4深6 |
| DLZ3-20 |
48.5 |
15 |
9 |
19 |
55 |
21.5 |
57.5 |
6 |
40 |
30 |
4-M4深8 |
| DLZ3-40 |
55.5 |
20 |
11 |
24 |
64 |
27 |
67 |
8 |
50 |
40 |
4-M5深8 |
| DLZ3-80 |
65 |
24 |
11 |
28 |
75 |
31 |
78 |
8 |
60 |
50 |
4-M5深8 |
| DLZ3-160 |
79 |
28 |
14 |
38 |
90 |
41 |
93 |
10 |
80 |
60 |
4-M6深10 |
| DLZ3-320 |
102.5 |
28 |
14 |
42 |
115 |
45 |
118 |
12 |
110 |
70 |
4-M6深12 |
|
|
 |